偏心式三级缓闭止回阀

偏心式三级缓闭止回阀

  • 产品类型 : 止回阀
  • 简介 : 偏心式三级缓闭止回蝶阀是我公司在蝶阀和同类型止回阀的基础 上研制开发的能实现三级关闭的新型止回阀,获得国家专利(其 专利号:ZL200520143544.X)

产品详情

概述

偏心式三级缓闭止回蝶阀是我公司在蝶阀和同类型止回阀的基础 上研制开发的能实现三级关闭的新型止回阀,获得国家专利(其 专利号:ZL200520143544.X)

性能特点

· 结构简单、止回效果可靠。

· 缓闭系统受管道中介质的影响较小,调节维护简单。

· 阀门关闭分快关、缓关和慢关三个阶段,可有效防止水锤对系 统的影响。

 

· 启闭平稳、消除噪声。

工作原理

开泵时、阀板受介质的压力带动阀轴开始旋转,带动连杆沿活塞 杆上的空行程导向槽实现阀板0~60°的快开,连杆走完导向槽 后仍受介质推动作用,接着活塞杆伸出,使阀板作60°~90°范 围缓开和慢开阶段,阀门开启。停泵时,阀板受回流介质的压力 带动阀轴开始回转,连杆沿活塞杆上的空行程导向槽快速旋转,实 现阀门快关,连杆走完导向槽后,受到液压缸的阻尼作用(0~30° 范围),实现阀板的缓关和慢关。

适用范围

可用在清水、污水、海水等介质的供排水管道上,安装在水泵出 口处,用于截止介质的回流,保护管道、水泵的安全运行。

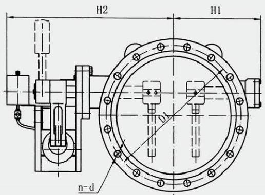
主要外形尺寸及连接尺寸

 

DN

 

H1

 

H2

 

L

1.0MPa

1.6MPa

2.5MPa

D

D₁

n-d

D

D₁

n-d

D

D₁

n-d

200

210

340

230

340

295

8-φ23

340

295

12-φ23

360

310

12-φ28

250

245

375

250

395

350

12-φ23

405

355

12-φ28

425

370

12-φ31

300

270

400

270

445

400

12-φ23

460

410

12-φ28

485

430

16-φ31

350

300

430

290

505

460

16-φ23

520

470

16-φ28

555

490

16-φ34

400

340

490

310

565

515

16-φ28

580

525

16-φ31

620

550

16-φ37

450

370

515

330

615

565

20-φ28

640

585

20-φ31

670

600

20-φ37

500

405

570

350

670

620

20-φ28

715

650

20-φ34

730

660

20-φ37

600

485

630

390

780

725

20-φ31

840

770

20-φ37

845

770

20-中40

700

570

750

430

895

840

24-φ31

910

840

24-φ37

960

875

24-φ43

800

640

860

470

1015

950

24-φ34

1025

950

24-φ40

1085

990

24-φ49

900

710

980

510

1115

1050

28-φ34

1125

1050

28-φ40

1185

1090

28-φ49

1000

770

1050

550

1230

1160

28-φ37

1255

1170

28-φ43

1320

1210

28-φ56

1200

920

1210

630

1455

1380

32-φ40

1485

1390

32-φ49

1530

1420

32-φ56

 

 

联系我们

提交