
概述
为确保在供热管线中阀门无外漏点的要求,法兰连接采用全焊接形式,可靠的三偏心硬对硬面密封,密封性能稳定。


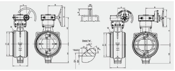
连接尺寸D363H-10/16C DN80~DN1800
|
DN |
NPS |
L |
1.0MPa |
1.6MPa |
||||||||||||
|
对焊端尺寸 |
外形尺寸 |
对焊端尺寸 |
外形尺寸 |
|||||||||||||
|
Dn |
D1 |
HO |
H |
A |
B |
G |
Dn |
D1 |
HO |
H |
A |
B |
G |
|||
|
80 |
3" |
180 |
82 |
91 |
85 |
225 |
50 |
144 |
180 |
82 |
91 |
85 |
225 |
50 |
144 |
180 |
|
100 |
4" |
190 |
106 |
117 |
100 |
245 |
50 |
144 |
180 |
106 |
117 |
100 |
245 |
50 |
144 |
180 |
|
125 |
5" |
200 |
132 |
144 |
170 |
290 |
63 |
200 |
300 |
132 |
144 |
170 |
290 |
63 |
200 |
300 |
|
150 |
6" |
210 |
159 |
172 |
180 |
310 |
63 |
200 |
300 |
159 |
172 |
180 |
310 |
63 |
200 |
300 |
|
200 |
8" |
230 |
206 |
223 |
205 |
360 |
63 |
200 |
300 |
206 |
223 |
205 |
360 |
63 |
200 |
300 |
|
250 |
10" |
250 |
259 |
278 |
235 |
395 |
80 |
230 |
350 |
259 |
278 |
235 |
395 |
80 |
230 |
350 |
|
300 |
12" |
270 |
308 |
329 |
265 |
425 |
80 |
230 |
350 |
308 |
329 |
265 |
425 |
80 |
230 |
350 |
|
350 |
14" |
290 |
340 |
362 |
305 |
475 |
125 |
260 |
400 |
340 |
362 |
305 |
475 |
125 |
260 |
400 |
|
400 |
16" |
310 |
388 |
413 |
335 |
520 |
125 |
260 |
400 |
388 |
413 |
335 |
520 |
125 |
260 |
400 |
|
450 |
18" |
330 |
439 |
464 |
365 |
550 |
125 |
260 |
400 |
439 |
464 |
365 |
550 |
125 |
260 |
400 |
|
500 |
20" |
350 |
488 |
516 |
405 |
615 |
125 |
370 |
400 |
488 |
516 |
405 |
615 |
125 |
370 |
400 |
|
600 |
24" |
390 |
589 |
619 |
465 |
665 |
160 |
398 |
500 |
589 |
619 |
465 |
665 |
160 |
398 |
500 |
|
700 |
28" |
430 |
693 |
721 |
540 |
730 |
200 |
418 |
600 |
693 |
721 |
540 |
730 |
200 |
418 |
600 |
|
800 |
32" |
470 |
793 |
825 |
625 |
865 |
200 |
418 |
600 |
793 |
825 |
625 |
865 |
200 |
418 |
600 |
|
900 |
36" |
510 |
894 |
927 |
690 |
930 |
263 |
510 |
700 |
894 |
927 |
690 |
930 |
263 |
510 |
700 |
|
1000 |
40" |
550 |
996 |
1029 |
755 |
1030 |
263 |
510 |
700 |
996 |
1029 |
755 |
1030 |
263 |
510 |
700 |
|
1200 |
48" |
630 |
1194 |
1235 |
880 |
1165 |
333 |
550 |
800 |
1194 |
1235 |
880 |
1165 |
333 |
550 |
800 |
|
1400 |
56" |
710 |
1394 |
1440 |
1010 |
1335 |
333 |
550 |
800 |
1394 |
1440 |
1010 |
1335 |
333 |
550 |
800 |
|
1600 |
64" |
790 |
1594 |
1640 |
1125 |
1470 |
374 |
590 |
900 |
1594 |
1640 |
1125 |
1470 |
374 |
590 |
900 |
|
1800 |
72" |
870 |
1794 |
1840 |
1240 |
1585 |
374 |
590 |
900 |
1794 |
1840 |
1240 |
1585 |
374 |
590 |
900 |
注:1、以上数据为常规数据,对焊端尺寸按照EN 12627。若有不同的需求,可根据需求订制。
2、因篇幅限制,未列出所有规格,如需详细数据请至电我公司。
3 、执行器可以是蜗轮装置、气动装置、电动装置、液控装置等。

连接尺寸D363H-25/40C DN80~DN1600 D363H-150C 3"~64"
|
DN |
NPS |
L |
2.5MPa 4.0MPa |
|||||||||||||
|
对焊端尺寸 外形尺寸 对焊端尺寸 |
外形尺寸 |
|||||||||||||||
|
Dn |
D1 |
HO |
H |
A |
B |
G |
Dn |
D1 |
HO |
H |
A |
B |
G |
|||
|
80 |
3" |
180 |
78 |
91 |
85 |
225 |
50 |
144 |
180 |
78 |
91 |
85 |
225 |
50 |
144 |
180 |
|
100 |
4" |
190 |
102 |
117 |
100 |
245 |
50 |
144 |
180 |
102 |
117 |
100 |
245 |
50 |
144 |
180 |
|
125 |
5" |
200 |
128 |
144 |
170 |
290 |
63 |
200 |
300 |
128 |
144 |
170 |
290 |
63 |
200 |
300 |
|
150 |
6" |
210 |
154 |
172 |
180 |
310 |
63 |
200 |
300 |
154 |
172 |
180 |
310 |
80 |
230 |
350 |
|
200 |
8" |
230 |
23 |
223 |
205 |
360 |
80 |
230 |
350 |
203 |
223 |
205 |
360 |
80 |
230 |
350 |
|
250 |
10" |
250 |
255 |
278 |
235 |
395 |
80 |
230 |
350 |
255 |
278 |
235 |
395 |
125 |
260 |
400 |
|
300 |
12" |
270 |
305 |
329 |
265 |
425 |
125 |
260 |
400 |
305 |
329 |
265 |
425 |
125 |
260 |
400 |
|
350 |
14" |
290 |
337 |
362 |
305 |
475 |
125 |
260 |
400 |
337 |
362 |
305 |
475 |
125 |
370 |
400 |
|
400 |
16" |
310 |
387 |
413 |
335 |
520 |
125 |
260 |
400 |
387 |
413 |
340 |
620 |
160 |
398 |
500 |
|
450 |
18" |
330 |
438 |
464 |
365 |
550 |
125 |
370 |
400 |
438 |
464 |
390 |
645 |
200 |
418 |
600 |
|
500 |
20" |
350 |
489 |
516 |
405 |
615 |
160 |
398 |
500 |
489 |
516 |
415 |
670 |
200 |
418 |
600 |
|
600 |
24" |
390 |
591 |
619 |
465 |
665 |
200 |
418 |
600 |
591 |
619 |
500 |
740 |
200 |
418 |
600 |
|
700 |
28" |
430 |
686 |
721 |
540 |
760 |
200 |
418 |
600 |
686 |
721 |
580 |
900 |
263 |
510 |
700 |
|
800 |
32" |
470 |
787 |
825 |
625 |
865 |
263 |
510 |
700 |
787 |
825 |
665 |
975 |
333 |
550 |
800 |
|
900 |
36" |
510 |
889 |
927 |
690 |
965 |
263 |
510 |
700 |
889 |
927 |
690 |
1010 |
333 |
550 |
800 |
|
1000 |
40" |
550 |
990 |
1029 |
755 |
1040 |
333 |
510 |
700 |
|
|
|
|
|
|
|
|
1200 |
48" |
630 |
1194 |
1235 |
880 |
1165 |
333 |
550 |
800 |
|
|
|
|
|
|
|
|
1400 |
56" |
710 |
1394 |
1440 |
1010 |
1355 |
374 |
590 |
900 |
|
|
|
|
|
|
|
|
1600 |
64" |
790 |
1594 |
1640 |
1190 |
1580 |
374 |
590 |
900 |
|
|
|
|
|
|
|
注:1、以上数据为常规数据,对焊端尺寸按照ASME B16.25。若有不同的需求,可根据需求订制。
2、因篇幅限制,未列出所有规格,如需详细数据请至电我公司。
3、执行器可以是蜗轮装置、气动装置、电动装置、液控装置等。